文具・オフィス用品

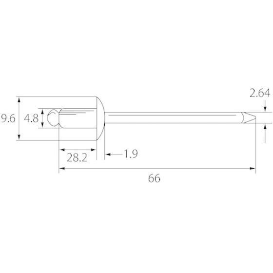
【商品説明】●金属同士の締結、プラスチック類同士の締結のほか、異種母材(金属とプラスチック類など)の締結に。●片側から複数の母材をワンアクションで締結できます。溶接に比べて作業の省力化や生産性の向上にメリットがあります。【仕様】●型番:NTA614 ●入数:500本 ●かしめ板厚(mm):19.1〜22.3 ●リベット長(mm):28.2 ●フランジ径(mm):9.6 ●リベット径(mm):4.8 ●下穴径(mm):4.9〜5.0 ●せん断荷重(N):2200 ●引張荷重(N):3300 ●頭部径(mm):− ●リベット本体(フランジ):アルミ(A5154) ●マンドレル(シャフト):ステンレス(SUS304相当)







