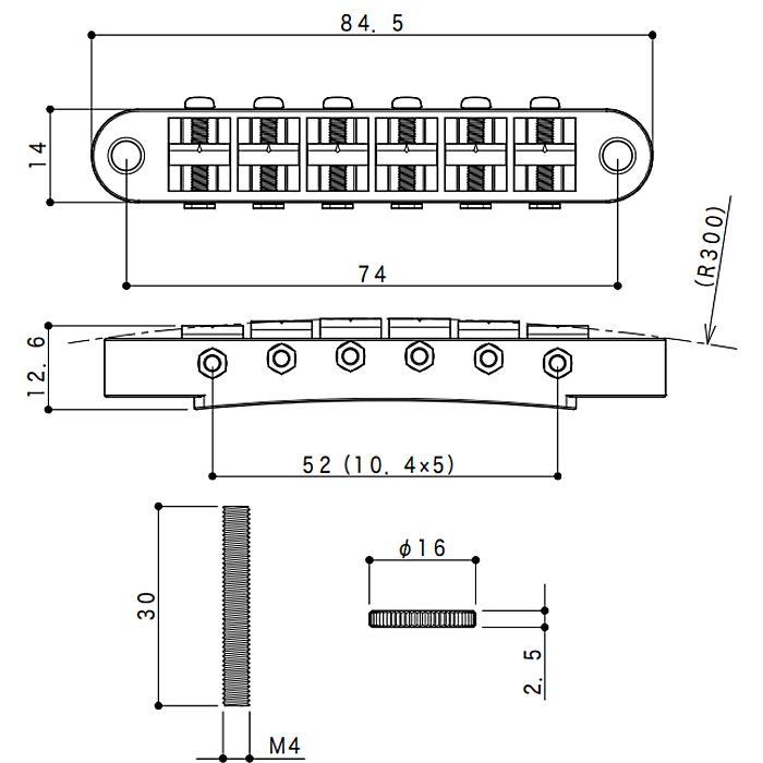
Gotoh Ti103B-CK Tune-o-matic Bridge ゴトー ブリッジ セリアゲ式ナッシュビルタイプ チタニウムサドル コスモブラック
こちらの商品は受注生産品です。納期情報をご確認ください。※理由を問わずご注文後のキャンセルは一切できません。一般的なGIBSONタイプのエレキギターに使用されている、セリアゲ式ナッシュビルタイプのブリッジです。亜鉛ダイキャスト製です。チタニウムサドル仕様です。※インターネットの性質上、環境により実際のカラーと差がある場合がございますのでご了承下さい。
