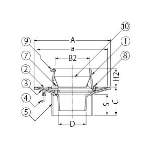
カネソウ WSJ-1-125 ルーフドレン たて引き バルコニー中継用 鋳鉄製 打込型 シート防水・屋根部塗膜防水 差し込み式

※ご注文の際はC寸法をご指定ください。※201〜500mmの場合は、ご注文後に料金が加算されます。(別途お見積り)"}